A body diode in a MOSFET is an intrinsic diode formed between the source and drain terminals due to the structure of the transistor. It allows current to flow in the reverse direction when the voltage ...
2024-09-30
Introduction Testing vs. Verification Cost of Testing Design for testability (DFT) Hardware design styles or added hardware that reduces test generation complexity Chip area and performance overhead So...
2024-09-20
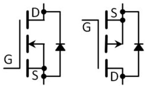
MOSFET Basic Overview MOSFET comprises two abbreviations: MOS (Metal Oxide Semiconductor) + FET (Field Effect Transistor). That is, a field effect transistor that controls the switch of the semiconduct...
2024-09-13
Recently, many institutions have shared their predictions for the future of the semiconductor industry. Below, we have compiled some recently released reports on semiconductor industry forecasts to hel...
2024-09-04
Flyback diodes are connected in parallel across the terminals of an inductor. When current flows through the inductor, an electromotive force (EMF) is generated across its terminals....
2024-08-01
China's mainland semiconductor industry has significantly enhanced its capabilities. With the support of tax reduction policies and a vast domestic demand advantage,...
2024-08-01